

YD 型油浸式電滾筒是國內先進的電滾筒。該產品電機采用油浸直接冷卻,效率高、體積小,與國內同類產品相比,具有重量輕、噪聲低、壽命長等優點,已廣泛用于電子、食品、郵電、輕工、機場、港口等行業的自動流水線或物料輸送線。
YD型油浸式電滾筒參數表
Parameter List
|
滾筒直徑D |
功率P kw |
滾筒表面線速度V m/s |
極限最 |
系列最小 筒長 |
50mm質量 |
|
|
mm |
長度mm |
質呈kg |
|
|||
|
Φ110 |
o.i2 (nm) |
0.14,0.16,0.20,0.25,0.57,0.63,0.80 |
310 |
350 |
12 |
0.8 |
|
0.25 |
0.04,0.047,0.05,0.055,0.06,0.065,0.07,0.075,0.08,0.09,0.10,0.12,0.152,0.20 |
350 |
350 |
16 |
1.1 |
|
|
0.25,0.30,0.32,0.34,0.38,0.44,0.53 |
320 |
|||||
|
Φ130 |
0.25 |
0.046,0.056,0.065,0.07,0.08,0.10,0.13,0.15,0.18,0.226 |
350 |
350 |
17 |
1.5 |
|
0.29,0.35,0.40,0.45,0.52,0.63 |
320 |
|||||
|
0.55 |
0.046,0.056,0.058,0.068,0.071,0.08,0.09,0.10,0.12,0.14,0.15,0.18,0.226 |
400 |
400 |
19 |
1.5 |
|
|
0.29,0.35,0.40,0.45,0.52,0.63 |
370 |
|||||
|
Φ174 |
0.75 |
0.03,0.04,0.05,0.063,0.08,0.10,0.13,0.16,0.20 |
470 |
500 |
50 |
1.8 |
|
0.25,0.32,0.40,0.50,0.63,0.80,1.00,1.25,1.60,2.00 |
400 |
400 |
40 |
|||
|
Φ216 |
0.75 |
0.05,0.063,0.08,0.10,0.13,0.16,0.20,0.25 |
470 |
500 |
70 |
2.5 |
|
0.32,0.40,0.50,0.63,0.80,1.00,1.25,1.60,2.00,2.50 |
400 |
400 |
60 |
|||
|
1.1 |
0.13,0.16,0.20,0.25,0.32,0.40,0.50,0.63,0.80,1.00,1.25,1.60,2.00,2.50 |
410 |
450 |
63 |
||
|
1.5/2.2 |
0.13.0.16.0.20.0.25.0.32.0.40,0.50.0.63.0.80,1.00,1.25.1.60.2.00.2.50 |
460 |
500 |
69 |
||
|
3 |
0.13,0.16,0.20,0.25,0.32,0.40,0.50,0.63,0.80,1.00,1.25,1.60,2.00,2.50 |
510 |
550 |
73 |
||
|
Φ240 |
0.75 |
0.056,0.07,0.089,0.11,0.14,0.18,0.22,0.28,0.36 |
470 |
500 |
80 |
2.8 |
|
0.44,0.56,0.70,0.89,1.11,1.39,1.78,2.22,2.78 |
400 |
400 |
70 |
|||
|
1.1 |
0.14,0.18,0.2,0.25,0.4,0.5,0.56,0.63,0.8,1.0,1.25,1.6,2.0,2.5 |
410 |
450 |
70 |
||
|
1.5/2.2 |
0.14,0.18,0.2,0.25,0.4,0.5,0.56,0.63,0.8,1.0,1.25,1.6,2.0,2.5 |
460 |
500 |
78 |
||
|
3 |
0.14,0.18,0.2,0.25,0.4,0.5,0.56,0.63,0.8,1.0,1.25,1.6,2.0,2.5 |
510 |
550 |
81 |
||
|
Φ320 |
1.1 |
0.13,0.16,0.20,0.25,0.32,0.40,0.50,0.63,0.80,1.00,1.25,1.60,2.00,2.50 |
420 |
450 |
120 |
3.2 |
|
1.5/2.2 |
0.13,0.16,0.20,0.25,0.32,0.40,0.50,0.63,0.80,1.00,1.25,1.60,2.00,2.50 |
470 |
500 |
126 |
||
|
3 |
0.13,0.16,0.20,0.25,0.32,0.40,0.50,0.63,0.80,1.00,1.25,1.60,2.00,2.50 |
520 |
550 |
132 |
||
|
4 |
0.25,0.32,0.40,0.50,0.63,0.80,1.00,1.25,1.60,2.00,2.50,3.15 |
560 |
600 |
150 |
||
|
5.5 |
0.25,0.32,0.40,0.50,0.63,0.80,1.00,1.25,1.60,2.00,2.50,3.15 |
560 |
600 |
155 |
||
|
7.5 |
0.50,0.63,0.80,1.00,1.25,1.60,2.00,2.50,.3.15 |
660 |
700 |
160 |
||
|
Φ400 |
1.1 |
0.16,0.20,0.25,0.32,0.40,0.50,0.63,0.80,1.00,1.25,1.60,2.00,2.50 |
420 |
450 |
140 |
5.0 |
|
1.5/2.2 |
0.16,0.20,0.25,0.32,0.40,0.50,0.63,0.80,1.00,1.25,1.60,2.00,2.50 |
470 |
500 |
145 |
||
|
3 |
0.16,0.20,0.25,0.32,0.40,0.50,0.63,0.80,1.00,1.25,1.60,2.00,2.50 |
520 |
550 |
152 |
||
|
4 |
0.32,0.40,0.50,0.63,0.80,1.00,1.25,1.60,2.00,2.50,3.15,4.00 |
560 |
600 |
170 |
||
|
5.5 |
0.32,0.40,0.50,0.63,0.80,1.00,1.25,1.60,2.00,2.50,3.15,4.00 |
560 |
600 |
175 |
||
|
7.5 |
0.63,0.80,1.00,1.25,1.60,2.00,2.50,3.15,4.00 |
660 |
700 |
190 |
||
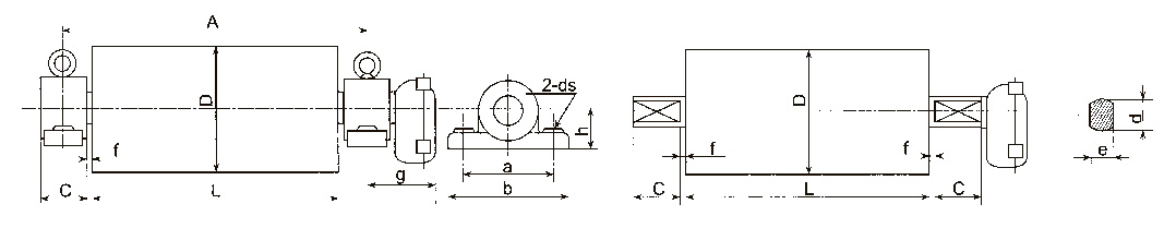
YD型油浸式電滾筒安裝外形尺寸
Mounting External Size
說明:安裝中心距A=L+2f+C。帶支座時,A為兩支座中心距離;不帶支座時,A為兩端軸銑扁的中心距離。
Notes: Mounting canter distance A=L+2f+C.In case the motorized drum has bracket,A is the distance between two bracket canter.In case it has no bracket,A is the distance between two symmetrical mounting tenons canter, which are both shaft ends.
|
D |
a |
b |
c |
d |
e |
f |
g |
h |
ds |
|
0 110 |
- |
- |
20 |
25 |
21 |
5 |
- |
- |
- |
|
0 130 |
- |
- |
20 |
25 |
21 |
5 |
- |
- |
- |
|
0 174 |
120 |
160 |
60 |
32 |
25 |
5 |
125 |
50 |
15 |
|
0 216 |
120 |
160 |
60 |
38 |
30 |
5 |
125 |
50 |
15 |
|
0 240 |
120 |
160 |
60 |
38 |
30 |
5 |
125 |
50 |
15 |
|
0 320 |
210 |
260 |
60 |
42 |
35 |
10 |
142 |
95 |
19 |
|
0 400 |
210 |
260 |
60 |
42 |
35 |
10 |
142 |
95 |
19 |
備注:0.75kW的0216、0240滾筒的安裝尺寸與0174滾筒的安裝尺寸相同
Notes'' The mounting size of the motorized drum which power is 0.75kW,drum diameter is 216mm or 240mm is the same as the mounting size of the motorized drum which drum diameter is 174mm.
YD型油浸式電滾筒訂貨代號
Ordel Symbol
